咨询热线
15040119189

产品详情
产品特点
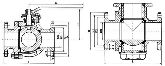
一、两阀座密封三通球阀结构紧凑、外型美观、密封性能好。也能实现管道中介流向的切换。也能使阻互垂直的两个通道连通或关闭。
二、四阀座密封三通球阀造型美观,结构紧凑合理,它不仅可实现介质流向的切换,也可使三个通道相互连通,同时也可关闭任一通道,使另外一通道连通,灵活控制管路中介质的合流或分流。
主要零件材料
零件名称 | 材质 | |
GB | ASTM | |
阀体、阀盖 | WCB | A216-WCB |
密封圈 | PTFE、对位聚苯 | PTFE、对位聚苯 |
球体 | 1Cr18Ni9Ti | SS304 |
阀座、阀杆 | 2Cr13 | A246-416 |
双头螺栓 | 35CrMoA | A193-B7 |
主要性能范围备注:三通球阀一般采用两阀座结构,如流向图A所示两种工况。选用两面阀座L型结构(即Q44型)。流向B中①和④两种工况亦可选用两阀座T型结构(即Q45型)。流向图B②和③两种工况必须选用四阀认T型结构(即Q45型)。其余工况也可以先用四阀座结构,但在订货合同中注明阀座结构。如阀门有其它要求请参阅样本《阀门的型号编制方法》填寰相应的要求代号。
公称压力 | 试验压力(MPa) | |||
壳体 | 高压液密封 | 体压气密封 | ||
1.6 | 2.4 | 1.76 | 0.6 | |
2.5 | 3.75 | 2.75 | ||
4.0 | 6.0 | 4.4 | ||
CLASS150 | 3.0 | 2.2 | ||
适用工况 | 适用介质 | 水、油品、气等非腐蚀和酸碱腐蚀介质 | ||
适用温度 | -28~350℃ | |||
应用规范 | 连接法兰 | JB79-59、GB9113、HG20592-97、ANSI B16.5 | ||
检验试验 | GB/T9092-99、API598 | |||