15040119189

产品详情
API美标球阀
产品特点
适用介质:水、气、油品、天然气和酸碱腐蚀性介质。
驱动方式:手动、气动、电动等。
公称通径:DN 15-250 1/2"~10"
技术规范
设计依据 | 美标系列 | |
设计标准 | AP16D | ANSI B16.34 |
法兰连接结构长度 | AP16D | ANSI B16.10 |
结构长度(焊接) | AP16D | ANSI B16.10 |
连接法兰 | ANSI B16.5、B16.47 | |
对焊端 | ANSI B16.25 | |
试验和检验 | AP16D | AP1598 |
试验压力
试验压力(MPa) | ||
磅级(Class) | 壳体试验 | 密封试验 |
150 | 3.0 | 2.2 |
300 | 7.6 | 5.6 |
600 | 15.0 | 11.0 |
10K | 2.4 | 1.5 |
20K | 5.8 | 4.0 |
主要零件材料
名称 | WCB类 | CF8类 | CF3类 | CF8M类 | CF3M类 | |
阀体左体 | A216-WCB | A315-CF8 | A35-CF3 | A351-CF8M | A351-CF3M | |
球体 | B2-B8 | A105-1025 | A182-F304L | A182-F304L | A132-F316 | A182-F316L |
B8以上 | A216-WCB | A351-CF8M | A351-CF3 | A351-CF8M | A351-CF3M | |
阀杆 | A182-F6a | A182-F304 | A182-F304L | A182-F336 | A182-F316L | |
阀座 | PTFE/增强PTFE/NYLIN PTFE/Reinforced PTFE/Nyion | |||||
阀座支承圈 | A105-1025 | A182-F304 | A182-F304L | A182-F316 | A182-F316L | |
弹簧 | 3yc-7/17-49H | |||||
O形圈 | NBR | 氟橡胶 | ||||
螺柱 | A193-B7 | A193-B8 | ||||
螺母 | A194-2H | A194-8 | ||||
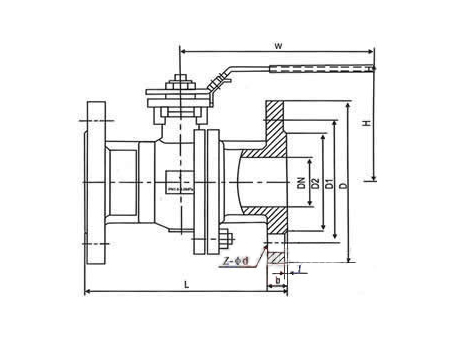
主要外形及连接尺寸表

公称 | 公称 | d | L | D | D1 | D2 | b | f | Z-Φd | H | W |
Class | 1/2" | 13 | 108 | 89 | 60.5 | 35 | 11.5 | 1.6 | 4-16 | 79 | 135 |
3/4" | 19 | 117 | 98 | 70 | 43 | 11.5 | 1.6 | 4-16 | 84 | 135 | |
1" | 25 | 127 | 108 | 79.5 | 51 | 12 | 1.6 | 4-16 | 95 | 170 | |
1-1/4" | 32 | 140 | 117 | 89 | 64 | 13 | 1.6 | 4-16 | 103 | 170 | |
1-1/2" | 38 | 165 | 127 | 98.5 | 73 | 15 | 1.6 | 4-16 | 111 | 200 | |
2" | 51 | 178 | 152 | 120.5 | 92 | 16 | 1.6 | 4-19 | 120 | 200 | |
2-1/2" | 64 | 190 | 178 | 139.5 | 105 | 18 | 1.6 | 4-19 | 153 | 300 | |
3" | 76 | 203 | 190 | 152.5 | 127 | 19 | 1.6 | 4-19 | 163 | 300 | |
4" | 102 | 229 | 229 | 190.5 | 157 | 24 | 1.6 | 8-19 | 182 | 400 | |
5" | 127 | 356 | 254 | 216 | 186 | 24 | 1.6 | 8-22 | 260 | 500 | |
6" | 152 | 394 | 279 | 241.5 | 216 | 26 | 1.6 | 8-22 | 280 | 800 | |
8" | 203 | 457 | 343 | 298.5 | 270 | 29 | 1.6 | 8-22 | - | 1100 | |
Class | 1/2" | 13 | 140 | 95 | 66.5 | 35 | 15 | 1.6 | 4-16 | 79 | 135 |
3/4" | 19 | 152 | 117 | 82.5 | 43 | 16 | 1.6 | 4-19 | 84 | 135 | |
1" | 25 | 165 | 124 | 89 | 51 | 18 | 1.6 | 4-19 | 95 | 170 | |
1-1/4" | 32 | 178 | 133 | 98.5 | 64 | 19 | 1.6 | 4-19 | 103 | 170 | |
1-1/2" | 38 | 190 | 156 | 114.5 | 73 | 21 | 1.6 | 4-22 | 111 | 200 | |
2" | 51 | 216 | 165 | 127 | 92 | 23 | 1.6 | 4-22 | 120 | 200 | |
2-1/2" | 64 | 241 | 190 | 149 | 105 | 26 | 1.6 | 8-19 | 153 | 300 | |
3" | 76 | 283 | 210 | 168.5 | 127 | 29 | 1.6 | 8-22 | 163 | 300 | |
4" | 102 | 305 | 254 | 200 | 157 | 32 | 1.6 | 8-22 | 182 | 400 | |
5" | 127 | 381 | 279 | 235 | 186 | 35 | 1.6 | 8-22 | 260 | 500 | |
6" | 152 | 403 | 318 | 270 | 216 | 37 | 1.6 | 12-22 | 280 | 800 | |
8" | 203 | 502 | 381 | 330 | 270 | 42 | 1.6 | 12-25 | - | 1100 |