15040119189

产品详情
气动三片式内螺纹、焊接、卡箍、承插焊接球阀
概述
内螺纹连接球阀及对焊连接球阀分为整体式、二片式及三片式。阀体铸造采用台湾引进的先进工艺,结构合理、造型美观。阀座采用弹性密封结构,密封可靠,启闭轻松。阀杆采用有倒密封的下装式结构,阀腔异常升压时,阀杆不会被冲击。可设置90°开关定位机构,根据需要加锁以防止误操作。内螺纹连接球阀及对焊连接球阀适用于PN1.0~4.0MPa,工作温度-29~180℃(密封圈为增强聚四氟乙烯)或-29~300℃(密封圈为对位聚苯)的各种管路上,用于截断或接通管路中的介质,选用不同的材质,可分别适用于水、蒸汽、油品、硝酸、醋酸、氨盐水、中和水等多种介质。
技术规范
设计依据 | GB标准 | |
设计标准 | GB/12237 | |
结构长度 | 法兰连接 | GB/1221 |
试验和检验 | GB/9113、JB/T79 | |
主要零件材质表

序号 No | 零件名称 | 材质 | ||
C | P | R | ||
1 | 右阀体 | WCB | ZG1Cr18Ni9Ti | ZG1Cr18Ni12Mo2Ti |
2 | 螺母 | 35 | 1Cr18Ni9Ti | 1Cr18Ni9Ti |
3 | 垫片 | PTFE | PTFE | PTFE |
4 | 螺柱 | 35 | 1Cr18Ni9Ti | 1Cr18Ni9Ti |
5 | 阀体 | WCB | ZG1Cr18Ni9Ti | ZG1Cr18Ni12Mo2Ti |
6 | 阀座 | PTFE | PTFE | PTFE |
7 | 球体 | 1Cr18Ni9Ti | 1Cr18Ni9Ti | ZG1Cr18Ni12Mo2Ti |
8 | 阀杆 | 1Cr13 | 1Cr18Ni9Ti | ZG1Cr18Ni12Mo2Ti |
9 | 垫片 | PTFE | PTFE | PTFE |
10 | 填料 | PTFE | PTFE | PTFE |
11 | 衬套 | PTFE | PTFE | PTFE |
12 | 压盖 | WCB | ZG1Cr18Ni9Ti | ZG1Cr18Ni12Mo2Ti |
13 | 螺栓 | 35 | 1Cr18Ni9Ti | 1Cr18Ni9Ti |
14 | 螺栓 | 35 | 1Cr18Ni9Ti | 1Cr18Ni9Ti |
15 | 连接支架 | 1Cr18Ni9Ti | 1Cr18Ni9Ti | 1Cr18Ni9Ti |
16 | 螺栓 | 35 | 1Cr18Ni9Ti | 1Cr18Ni9Ti |
17 | 连接套 | 35 | 1Cr18Ni9Ti | 1Cr18Ni9Ti |
18 | 气动装置 | |||
19 | 位置指示器 | 塑料 Plastic | 塑料 Plastic | |
附件的选用 (根据不同控制和要求可选择下列附件):
切断型附件:单电控电磁阀、双电控电磁阀、限位开关回讯器。
调节型附件:电气阀门定位器、气动阀门定位器、电气转换器。
气源处理附件:空气过滤减压阀、气源处理三联件、保位阀。
手动机构:手操机构
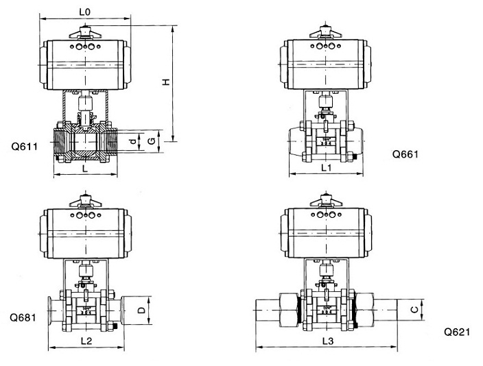
主要外形和连接尺寸单位(mm)

气动三片式内螺纹球阀Q611F-16,25,40,64
通径DN | d | G | L | H | W | |
mm | In | |||||
8 | 1/4″ | 8 | G1/4″ | 65 | 140 | 104 |
10 | 3/8″ | 10 | G3/8 | 65 | 140 | 104 |
15 | 1/2″ | 15 | G1/2 | 72 | 150 | 140 |
20 | 3/4 | 18 | G3/4″ | 85 | 155 | 140 |
25 | 1″ | 24 | G1″ | 91 | 165 | 140 |
32 | 1 1/2″ | 30 | G1 1/4″ | 110 | 180 | 164 |
40 | 1 1/2″ | 38 | G1 1/2″ | 122 | 190 | 164 |
50 | 2″ | 48 | G2″ | 145 | 210 | 190 |
气动三片式焊接球阀Q621F-16,25,40,64
通径DN | d | G | L2 | H | W | |
mm | In | |||||
8 | 1/4″ | 8 | 14 | 120 | 140 | 104 |
10 | 3/8″ | 10 | 18 | 130 | 140 | 104 |
15 | 1/2″ | 15 | 22 | 140 | 150 | 140 |
20 | 3/4 | 18 | 28 | 160 | 155 | 140 |
25 | 1″ | 24 | 34 | 180 | 165 | 140 |
32 | 1 1/2″ | 30 | 42 | 200 | 180 | 164 |
40 | 1 1/2″ | 38 | 48 | 218 | 190 | 164 |
50 | 2″ | 48 | 60 | 235 | 210 | 190 |
气动三片式卡箍球阀Q661F-16,25,40,64
通径DN | d | G | L1 | H | W | |
mm | In | |||||
8 | 1/4″ | 8 | 14.3 | 65 | 140 | 104 |
10 | 3/8″ | 10 | 18 | 65 | 140 | 104 |
15 | 1/2″ | 15 | 22 | 72 | 150 | 140 |
20 | 3/4 | 18 | 28 | 85 | 155 | 140 |
25 | 1″ | 24 | 34.5 | 91 | 165 | 140 |
32 | 1 1/2″ | 30 | 43.5 | 110 | 180 | 164 |
40 | 1 1/2″ | 38 | 49.5 | 122 | 190 | 164 |
50 | 2″ | 48 | 62 | 145 | 210 | 190 |
气动三片式承插焊球阀Q681F-16
通径DN | d | G | L3 | H | W | |
mm | In | |||||
15 | 1/2″ | 15 | 34 | 108 | 150 | 140 |
20 | 3/4 | 18 | 50.5 | 118 | 155 | 140 |
25 | 1″ | 24 | 50.5 | 127 | 165 | 140 |
32 | 1 1/2″ | 30 | 50.5 | 146 | 180 | 164 |
40 | 1 1/2″ | 38 | 50.5 | 159 | 190 | 164 |
50 | 2″ | 48 | 64 | 191 | 210 | 190 |