咨询热线

15040119189

网站公告: 沈阳市和平区达钰源阀门五金销售中心欢迎您!
p
Product center 产品展示

service phone 15040119189

气动卡箍式快装卫生球阀

文章来源:admin    时间:2018-05-01
更多

气动卡箍式快装卫生球阀

产品详情

气动卡箍式快装卫生球阀

概述

气动卡箍式快装卫生球阀采用SUS304316制作,可以满足食品、生物制药领域各种介质的特殊要求,其光滑、无缝、自动排空工艺流体通道还非常适用于蒸汽就地清洗的需要。广泛适用于食品、酿酒、饮料、乳制品、精细化工制药及生物工程等众多行业。

技术规范

设计依据GB标准设计标准GB/12237试验和检验JB/T9002

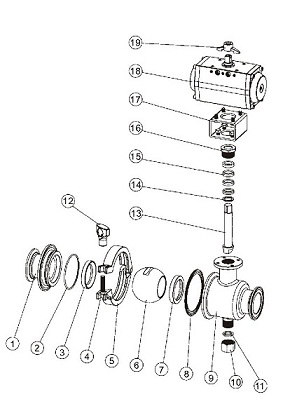
主要零件材质表

 图片1.png


地址:沈阳市浑南新区祥二街8-12号3门    电话:15040119189    传真:024-23921101
技术支持:奇搜网络【奇搜建站】   ICP备案编号:辽ICP备18016916号-2    版权所有:沈阳钰丰流体自动化设备有限公司
网站地图(xml / html